联系电话
025-84395285
网站导航
网站首页
关于我们
产品展示
新闻中心
环境信息公示
在线留言
联系我们
环境信息公示
当前位置:
首页
>
环境信息公示
>
体系认证
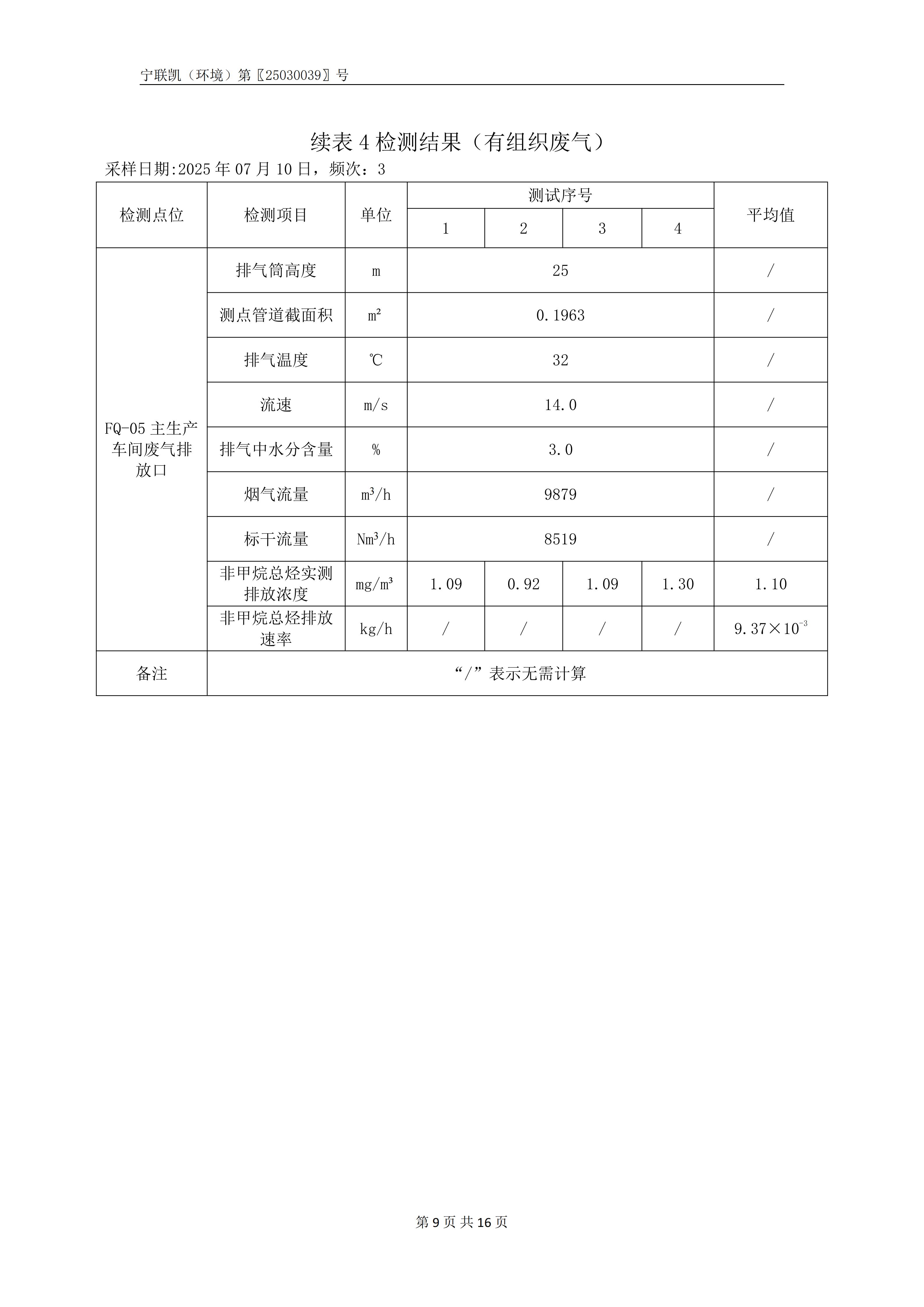
2025年第三季度检测报告
时间:2025-10-30 11:38:09 点击次数:293
上一篇:
环境监测--2025年第二季度
下一篇:
环境监测--2025年第三季度
如果您有任何问题,请跟我们联系!
联系我们